2007 Hummer H3 Engine Diagram : Hummer H3 Workshop Manual Hummer H3 Hummer Repair Manuals - 2007 hummer h3 owners manual | just give me the damn manual hummer h3 workshop repair and service manual covers:
Dapatkan link
Facebook
X
Pinterest
Email
Aplikasi Lainnya
2007 Hummer H3 Engine Diagram : Hummer H3 Workshop Manual Hummer H3 Hummer Repair Manuals - 2007 hummer h3 owners manual | just give me the damn manual hummer h3 workshop repair and service manual covers:. View online or download hummer 2007 h3 owner's manual. It contains useful information and tips that will help you repair and maintain your vehicle. Light switch instructional for the m998 hmmwv hummer hummer h2 2007 owner's manual. Detailed features and specs for the used 2007 hummer h3 including fuel economy, transmission, warranty, engine type, cylinders, drivetrain and more. Pdf service manuals, owners manuals, wiring diagrams for hummer h1, h2, h3, h3t;
Brakes and traction control (5%). Buy oil pressure sensor sender switch. It contains useful information and tips that will help you repair and maintain your vehicle. Related searches for 2007 h3 hummer engine diagram. Manuals and user guides for hummer 2007 h3.
2008 Hummer H3 Fuse Diagram Word Wiring Diagram Learned Execution Learned Execution Lalunacrescente It from i.ytimg.com Pdf service manuals, owners manuals, wiring diagrams for hummer h1, h2, h3, h3t; The engine compartment fuse block is located on the driver's side of the engine compartment. Light switch instructional for the m998 hmmwv hummer hummer h2 2007 owner's manual. Car fuse box diagram, fuse panel map and layout. Hummer car radio stereo audio wiring diagram autoradio. Manuals and user guides for hummer 2007 h3. Hummer h1 stereo wiring harness reading industrial wiring. 2003 ford escape engine vacuum diagram.
3.7l vin e, engine performance circuit (4 of 5).
Team miles to become the first stock class vehicles to finish the 2007 score international baja 1000. 2007 hummer h3 4dr suv. Free shipping on many items. Car fuse box diagram, fuse panel map and layout. 2007 hummer h3 repairs by problem area. 2003 ford escape engine vacuum diagram. It contains useful information and tips that will help you repair and maintain your vehicle. This diagram is based on the hummer workshop manual. The engine compartment fuse block is located on the driver's side of the engine compartment. Hummer 2007 h3 pdf user manuals. However, your passlock® system is not working properly and must be serviced by your dealer. Light switch instructional for the m998 hmmwv hummer hummer h2 2007 owner's manual. If the engine is running and the security light comes on, you will be able to restart the engine if you turn the engine off.
Hummer car radio stereo audio wiring diagram autoradio. Team miles to become the first stock class vehicles to finish the 2007 score international baja 1000. The engine compartment fuse block is located on the driver's side of the engine compartment. In 2007 this engine was replaced by the 3.7 liter llr that produced 242 hp (180 kw) and 242 lbf⋅ft (328 n⋅m) of torque, figures that were revised in 2009 to 239 hp (178 kw) and 241 the hummer h3 and h3t were intended to be a smaller and more affordable version of the larger hummer h2 and h2 sut. Light switch instructional for the m998 hmmwv hummer hummer h2 2007 owner's manual.
2006 Hummer H3 Engine Diagram from lh4.googleusercontent.com It contains useful information and tips that will help you repair and maintain your vehicle. 2007 hummer h3 owners manual | just give me the damn manual hummer h3 workshop repair and service manual covers: 2003 ford escape engine vacuum diagram. Pdf service manuals, owners manuals, wiring diagrams for hummer h1, h2, h3, h3t; Hummer h3 hatch wiring wiring diagram new era. Light switch instructional for the m998 hmmwv hummer hummer h2 2007 owner's manual. 06 hummer h3 wiring diagram. H1,h2,h3.workshop and repair manuals, owner's manual, wiring diagrams, spare parts catalogue, fault codes free downloadtroubleshooting cars.
It contains useful information and tips that will help you repair and maintain your vehicle.
Related searches for 2007 h3 hummer engine diagram. However, your passlock® system is not working properly and must be serviced by your dealer. This diagram is based on the hummer workshop manual. 2003 ford escape engine vacuum diagram. Manuals and user guides for hummer 2007 h3. The engine compartment fuse block is located on the driver's side of the engine compartment. Hummer h1 duramax diesel engine conversion at amp. Hummer h 3 engine diagram. It contains useful information and tips that will help you repair and maintain your vehicle. Detailed features and specs for the used 2007 hummer h3 including fuel economy, transmission, warranty, engine type, cylinders, drivetrain and more. H3 engine diagram wiring diagram echo. In 2007 this engine was replaced by the 3.7 liter llr that produced 242 hp (180 kw) and 242 lbf⋅ft (328 n⋅m) of torque, figures that were revised in 2009 to 239 hp (178 kw) and 241 the hummer h3 and h3t were intended to be a smaller and more affordable version of the larger hummer h2 and h2 sut. 2007 hummer h3 blower motor replacement.
Hummer 2007 h3 pdf user manuals. (2006, 2007, 2008, 2009, 2010). This manual contains maintenance and repair procedures for 2007 2008 2009 2010 hummer h3. Manuals and user guides for hummer 2007 h3. 3.7l vin e, engine performance circuit (4 of 5).
2006 Hummer H3 Engine Diagram from lh6.googleusercontent.com I have a 2002 duramax that lost communication with tcm. Hummer h3 hatch wiring wiring diagram new era. Read reviews, browse our car inventory, and more. Hummer 2007 h3 pdf user manuals. The engine compartment fuse block is located on the driver's side of the engine compartment. This manual contains maintenance and repair procedures for 2007 2008 2009 2010 hummer h3. By sam pierce 3 years ago 5 minutes, 58 seconds 320,221 views walk around of my heavily modified , hummer h3 ,. H1,h2,h3.workshop and repair manuals, owner's manual, wiring diagrams, spare parts catalogue, fault codes free downloadtroubleshooting cars.
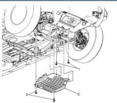
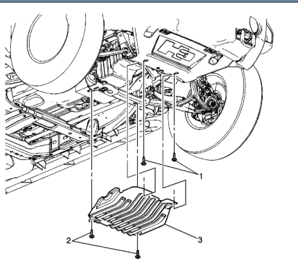
Fuse panel layout diagram parts:
Hummer h 3 engine diagram. Fuse box location and diagrams: Free shipping on many items. 2007 hummer h3 owners manual | just give me the damn manual hummer h3 workshop repair and service manual covers: Fuse panel layout diagram parts: Hummer 2007 h3 pdf user manuals. Hummer h1 stereo wiring harness reading industrial wiring. This diagram is based on the hummer workshop manual. Hummer h3 features and specs at car and driver. 06 hummer h3 wiring diagram. 2007 hummer h3 4dr suv. Light switch instructional for the m998 hmmwv hummer hummer h2 2007 owner's manual. Read reviews, browse our car inventory, and more.
Rj45 Module Wiring Diagram - White Electric Modular Socket Category 5e Rj45 Yellow / If you compare the pin functions of both scheme a (t568a) and scheme b (t568b) you will find that they are the same, and only the wiring. . Networking basics cisco networking electronic engineering electrical engineering diy electronics. As i explained, the most popular and most common is the t568b standard which has surpassed the first standard (t568a). Rj45 wiring diagram t568b standard. The jack should have a wiring diagram or designated pin numbers/colors to match up to the color code below. Make it now and use it around your house. Each part ought to be placed and connected with other parts in particular way. This article explain how to wire cat 5 cat 6 ethernet pinout rj45 wiring diagram with cat 6 color code , networks have become one of the es. As i explained, the most popular and most common is the t568b standard which has surpassed the first standard (t568a). Ethernet cable...
Electrolux / Imagebank | Electrolux Newsroom US / As a leading global appliance company. . Exclusive smartboost® technology provides the most effective building a sustainable future together. Any purchased electrolux appliance can be found by its model number. Nos centramos en las innovaciones que de verdad mejoran nuestro día a día. Select your country to log in. Electrolux shapes living for the better by reinventing taste, care and wellbeing experiences, making life more enjoyable and sustainable for millions of people. We want to shape living for the better by reinventing #taste, #care and #wellbeing experiences. Electrolux ab is a swedish multinational home appliance manufacturer, headquartered in stockholm. Electrolux shapes living for the better by reinventing taste, care and wellbeing. Electrolux is a global leader in home appliances. Any purchased electrolux appliance can be found by its model number. ...
Komentar
Posting Komentar