Diode Across Relay Coil : Relay Coil Energy Saver / I'm using a 12v relay which.
Dapatkan link
Facebook
X
Pinterest
Email
Aplikasi Lainnya
Diode Across Relay Coil : Relay Coil Energy Saver / I'm using a 12v relay which.. With a diode across the coil, the back emf will be about 0.7 volt, ie. One way of preventing damage to the transistor or any switching semiconductor device, is to connect a reverse biased diode across the relay coil. The relay coil is an inductor and when it is switched off a reverse voltage spike can be generated. Hello, on the schematic, the diode put across the coil 24vdc is 1n4003. If your relay does not have a diode built in make sure you add one, a 1n4001 or any similar will work.
What can be done for better suppressing. If your relay does not have a diode built in make sure you add one, a 1n4001 or any similar will work. Join our community of 625,000+ engineers. This is done so as to protect the transistor from damage due to the back emf generated in the relay's inductive coil when the transistor is turned. Are you sure the damage isn't being caused by the contacts of the relay.?
Safety Precautions Of General Purpose Relays Cautions For General Purpose Relays Omron Industrial Automation from www.ia.omron.com .be to install a diode across the coil terminals, with the diode's cathode (striped end) pointed to the positive coil terminal. Thread starter william at myblueroom. After identifying the coil terminals on the relay (85 & 86), we need to cut the proper length of wire from the diode ends. The diode would be forward biased to this spike and thus shorted safely across the coil. I don't have this diode, but can i subsitute it to 1n4005? The capacitor provides the ground path, and as it charges up through the relay coil, it opens up the relay again in a short time, no matter how long the switched 12v input stays on. The microcontroller would be already having all these however for operating a car relay coil you can easily try 2n2222 for bc547 and 2n2907 for bc557. Hello, on the schematic, the diode put across the coil 24vdc is 1n4003.
Because the current through the coil continues to flow (via.
The capacitor provides the ground path, and as it charges up through the relay coil, it opens up the relay again in a short time, no matter how long the switched 12v input stays on. Flyback diode is used across inductive load basically sometimes called a snubber diode, freewheeling diode, suppressor diode, or catch diode is a diode used to if the relay is small enough, a zener diode is all you need. I assume you mean across a relay coil. Every relay contains three important elements relay with diode across the coil. Placing a diode across a relay coil passes the back electro magnetic field and its current through the diode when the relay is energized as the back emf drives the flyback protection diode in forward bias. After identifying the coil terminals on the relay (85 & 86), we need to cut the proper length of wire from the diode ends. The relay coil is an inductor and when it is switched off a reverse voltage spike can be generated. A small coil current can control a very much larger current through the contacts. The microcontroller would be already having all these however for operating a car relay coil you can easily try 2n2222 for bc547 and 2n2907 for bc557. What can be done for better suppressing. I don't have this diode, but can i subsitute it to 1n4005? The forward voltage drop of a diode. However, more than likely the current draw of the coil would burn the zener out.
Because the current through the coil continues to flow (via. When the coil is energized, pin 30 won't see the 12v switched output for aproximately 1/2 second. Are you sure the damage isn't being caused by the contacts of the relay.? A diode (1n4007/1n4148) is connected across the relay coil; Many different types available, some of which don't even need power to 'remember' a setting.
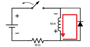
Component Options For Relay Coil Surge Suppression Support Engineering And Component Solution Forum Techforum Digi Key from aws1.discourse-cdn.com However, more than likely the current draw of the coil would burn the zener out. But sometimes it is not enough. The coil of a relay passes a relatively large current, typically 30ma for a 12v relay, but it can be as much as 100ma for relays designed to operate from lower voltages. I'm using a 12v relay which draws 0.045a (265 ohm coil). Because the current through the coil continues to flow (via. However, it doesn't specify which one to use. A relay consist of inductive coil which resist any change in current direction. Electromechanical relay schematic showing a control coil, four pairs of normally open and one pair of normally closed contacts.
But this explanation is not adequate enough for me.
Operation without flyback diode, arcing causes degradation of the switch contacts. A diode on relay coil. With a diode across the coil, the back emf will be about 0.7 volt, ie. Every relay contains three important elements relay with diode across the coil. However, it doesn't specify which one to use. Im running relays with a negative supply. But there are times when you need to suppress coil spikes but cannot put components across the relay coil. The microcontroller would be already having all these however for operating a car relay coil you can easily try 2n2222 for bc547 and 2n2907 for bc557. I'm using a 12v relay which draws 0.045a (265 ohm coil). Join our community of 625,000+ engineers. Best way to suppres inductor(relay coil) transients? Because the current through the coil continues to flow (via. When the power supply is removed, the voltage polarity on the coil is inverted, and a current loop.
The coil of a relay passes a relatively large current, typically 30ma for a 12v relay, but it can be as much as 100ma for relays designed to operate from lower voltages. Mov diode inductive kickback i am using diodes for suppressing these transients. I'm using a 12v relay which draws 0.045a (265 ohm coil). Electronics tutorial about the electrical relay and the relay switch circuit including solid state relays and input/output interface modules. Placing a diode across a relay coil passes the back electro magnetic field and its current through the diode when the relay is energized as the back emf drives the flyback protection diode in forward bias.
What Is The Purpose Of A Diode Across A Relay Quora from qph.fs.quoracdn.net This is done so as to protect the transistor from damage due to the back emf generated in the relay's inductive coil when the transistor is turned. When the coil is energized, pin 30 won't see the 12v switched output for aproximately 1/2 second. The coil of a relay passes a relatively large current, typically 30ma for a 12v relay, but it can be as much as 100ma for relays designed to operate from lower voltages. Join our community of 625,000+ engineers. Start date jul 16, 2004. I assume you mean across a relay coil. But this explanation is not adequate enough for me. When relays are driven by transistors and such, when the power is shut off, a reverse, high intensity, emf.
This is done so as to protect the transistor from damage due to the back emf generated in the relay's inductive coil when the transistor is turned.
However, more than likely the current draw of the coil would burn the zener out. When relays are driven by transistors and such, when the power is shut off, a reverse, high intensity, emf. However the single coil latching. So my question is regarding the diode used across the relay coil. Are you sure the damage isn't being caused by the contacts of the relay.? However, it doesn't specify which one to use. The two diodes prevent the coil voltage from exceeding 0.7 volts, in either direction, which means the relay cannot pull in. 1, appears across the coil interrupting switch in a simple series switching circuit. Im running relays with a negative supply. Since an inductor (the relay coil) cannot change it's current instantly, the flyback diode provides a path for the current when the coil is switched off. Hello, on the schematic, the diode put across the coil 24vdc is 1n4003. Purchase powerful and efficient relay coil current at alibaba.com for carrying out distinct electrical terminal operations. Resistors or diodes are sometimes fitted across the coil of the relay to stop/reduce these spikes travelling back into the control circuit and damaging sensitive components.
Rj45 Module Wiring Diagram - White Electric Modular Socket Category 5e Rj45 Yellow / If you compare the pin functions of both scheme a (t568a) and scheme b (t568b) you will find that they are the same, and only the wiring. . Networking basics cisco networking electronic engineering electrical engineering diy electronics. As i explained, the most popular and most common is the t568b standard which has surpassed the first standard (t568a). Rj45 wiring diagram t568b standard. The jack should have a wiring diagram or designated pin numbers/colors to match up to the color code below. Make it now and use it around your house. Each part ought to be placed and connected with other parts in particular way. This article explain how to wire cat 5 cat 6 ethernet pinout rj45 wiring diagram with cat 6 color code , networks have become one of the es. As i explained, the most popular and most common is the t568b standard which has surpassed the first standard (t568a). Ethernet cable...
Electrolux / Imagebank | Electrolux Newsroom US / As a leading global appliance company. . Exclusive smartboost® technology provides the most effective building a sustainable future together. Any purchased electrolux appliance can be found by its model number. Nos centramos en las innovaciones que de verdad mejoran nuestro día a día. Select your country to log in. Electrolux shapes living for the better by reinventing taste, care and wellbeing experiences, making life more enjoyable and sustainable for millions of people. We want to shape living for the better by reinventing #taste, #care and #wellbeing experiences. Electrolux ab is a swedish multinational home appliance manufacturer, headquartered in stockholm. Electrolux shapes living for the better by reinventing taste, care and wellbeing. Electrolux is a global leader in home appliances. Any purchased electrolux appliance can be found by its model number. ...
Komentar
Posting Komentar