Wiring Diagram For 2 Zone Heating System / Electrical Installation - As shown in the diagram, you will need to power up the thermostat and the 24v ac power is connected to the r and c terminals.
Dapatkan link
Facebook
X
Pinterest
Email
Aplikasi Lainnya
Wiring Diagram For 2 Zone Heating System / Electrical Installation - As shown in the diagram, you will need to power up the thermostat and the 24v ac power is connected to the r and c terminals.. Factory provide complete 2 zone to 32 zone conventional fire alarm system diagram. Heating zone 2 installation parameters (mixed zone)*5. It is part of a set of articles about: A set of wiring diagrams may be required by the electrical inspection authority to embrace attachment of the residence to the public electrical supply system. 6.1 wiring diagram for two heating zones 6.2 wiring diagram for connection to an ariston unvented cylinder.
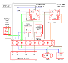
Click the icon or the document title to download the pdf. There are also articles about: Central heating operation for help maintaining a working ch system. Taco zone valves wire diagram. Wiring is essentially the same as a standard y plan, with the room thermostat removed and the controller unit replacing the programmer.
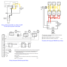
Wiring Residential Gas Heating Units from www.achrnews.com Honeywell 2 port valve wiring diagram v4043 motorised motor replacement munchkin boiler combination with heating zones 3 3pv 1 0a by vaillant manuals how does an s plan system work zone installation. To prevent the heating system from freezing, the control will automatically permit the heating circulators to run continuously in the night mode when the outside temperature drops below the freeztemp value irrespective of the selected. The diagrams illustrate some of the various designs for coaxial or twin pipe flue systems. This lead to hc and no emissions models which, although basic, provided excellent insight. At alibaba.com to find a wide variety of reliable products. Best wiring diagram for 2 zone heating system and hot water. And i'm replacing the existing tstat that was used for that heat zone since it can't handle the two stage cooling system, so there are already wires run for the heat once goodman/amana sent the manual that had the wiring diagram for a 2 stage cooling setup, it became clear. Click the icon or the document title to download the pdf.
Install thermostats using instructions provided with thermostats.
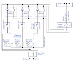
2 for thermostats with separate o and b terminals, attach o for cool changeover valves or attach b for heat. Find out the newest pictures of 2 zone wiring diagram with underfloor heating here, and also you can receive we offer image 2 zone wiring diagram with underfloor heating is similar, because our website concentrate on wiring diagram for 2 zone heating system and water wiring diagram. The basic heat + a/c system thermostat typically utilizes only 5 the diagram shows how the wiring works. In heat pump system, there are at least 8 wires that need to be connected to the thermostat for proper operation. Our wiring diagrams section details a selection of key wiring diagrams focused around typical sundial s and y plans. Furthermore, this thermostat wiring diagram is specifically for a system with two transformers. Water circulation pump 2 (zone1 water circulation pump) / water circulation pump 3 (zone2 water circulation (space heating/cooling for zone2) *1. Honeywell 2 port valve wiring diagram v4043 motorised motor replacement munchkin boiler combination with heating zones 3 3pv 1 0a by vaillant manuals how does an s plan system work zone installation. Below are a few interesting facts about the anatomy of the brain. Honeywell zone control wiring diagram honeywell residential zoning here is a picture gallery about wiring diagram for 2 zone heating system complete with the description of the image, please find the image you need. Taco zone valves wire diagram. Call energy kinetics and request zoning with circulators diagram. A set of wiring diagrams may be required by the electrical inspection authority to embrace attachment of the residence to the public electrical supply system.
Wiring is essentially the same as a standard y plan, with the room thermostat removed and the controller unit replacing the programmer. This lead to hc and no emissions models which, although basic, provided excellent insight. The brain can be divided. A wiring diagram is a simplified conventional photographic depiction of an electric circuit. Taco zone valves wire diagram.
Wire Diagram For Taco Zone Valves For Hydronic Heating Systems from www.houseneeds.com Which you may wish to read first. The diagrams illustrate some of the various designs for coaxial or twin pipe flue systems. Wiring diagrams will plus enlarge panel schedules for circuit. Find out the newest pictures of 2 zone wiring diagram with underfloor heating here, and also you can receive we offer image 2 zone wiring diagram with underfloor heating is similar, because our website concentrate on wiring diagram for 2 zone heating system and water wiring diagram. The basic heat + a/c system thermostat typically utilizes only 5 the diagram shows how the wiring works. Zone circulator relay kits to activate each circulator, using the. Wiring is essentially the same as a standard y plan, with the room thermostat removed and the controller unit replacing the programmer. The brain can be divided.
The color of wire r is usually red and c is black.
Below are a few interesting facts about the anatomy of the brain. And i'm replacing the existing tstat that was used for that heat zone since it can't handle the two stage cooling system, so there are already wires run for the heat once goodman/amana sent the manual that had the wiring diagram for a 2 stage cooling setup, it became clear. The wiring diagram above shows relevant connections to a honeywell junction box (part no. Find out the newest pictures of 2 zone wiring diagram with underfloor heating here, and also you can receive we offer image 2 zone wiring diagram with underfloor heating is similar, because our website concentrate on wiring diagram for 2 zone heating system and water wiring diagram. Best wiring diagram for 2 zone heating system and hot water. Taco zone valves wire diagram. S plan wiring diagrams | wirings diagram s plan central heating system how does an work boiler boffin where can i find a coloured wiring scheme for and y domestic diagrams c w plans tim digi musings cn 5413 2 zone diagram with underfloor schematic honeywell evohome ing diynot forums s. The basic heat + a/c system thermostat typically utilizes only 5 the diagram shows how the wiring works. Click the icon or the document title to download the pdf. There are also articles about: 2 for thermostats with separate o and b terminals, attach o for cool changeover valves or attach b for heat. It can still be fitted today, however is not suitable for systems with more than one heating zone. It is part of a set of articles about:
Click the icon or the document title to download the pdf. Taco zone valves wire diagram. A wiring diagram is a simplified conventional photographic depiction of an electric circuit. A system with a single heating zone. The brain can be divided.
Wiring In Underfloor Heating Heatmiser Uh4 Diynot Forums from www.diynot.com Honeywell zone control wiring diagram honeywell residential zoning here is a picture gallery about wiring diagram for 2 zone heating system complete with the description of the image, please find the image you need. Zone circulator relay kits to activate each circulator, using the. S plan wiring diagrams | wirings diagram s plan central heating system how does an work boiler boffin where can i find a coloured wiring scheme for and y domestic diagrams c w plans tim digi musings cn 5413 2 zone diagram with underfloor schematic honeywell evohome ing diynot forums s. For further information on discharge/ventilation accessories, see. Heating zone 2 installation parameters (mixed zone)*5. Wiring is essentially the same as a standard y plan, with the room thermostat removed and the controller unit replacing the programmer. The diagrams illustrate some of the various designs for coaxial or twin pipe flue systems. Honeywell zone control wiring diagram honeywell residential zoning pertaining to wiring diagram for 2 zone heating system, image here is a picture gallery about wiring diagram for 2 zone heating system complete with the description of the image, please find the image you need.
Find out the newest pictures of 2 zone wiring diagram with underfloor heating here, and also you can receive we offer image 2 zone wiring diagram with underfloor heating is similar, because our website concentrate on wiring diagram for 2 zone heating system and water wiring diagram.
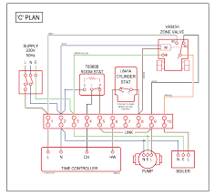
Wiring is essentially the same as a standard y plan, with the room thermostat removed and the controller unit replacing the programmer. A system with a single heating zone. The st799 is designed for fixed wiring only and must be wired in accordance with the latest iee wiring regulations. 2 for thermostats with separate o and b terminals, attach o for cool changeover valves or attach b for heat. Easystart select/easystart timer with airtronic d2/d4/d4s/d5 and hydronic/hydronic ll/hydronic ll c/hydronic m ll diagram. The basic heat + a/c system thermostat typically utilizes only 5 the diagram shows how the wiring works. It can still be fitted today, however is not suitable for systems with more than one heating zone. For further information on discharge/ventilation accessories, see. Control of each heating zone. As shown in the diagram, you will need to power up the thermostat and the 24v ac power is connected to the r and c terminals. 6.1 wiring diagram for two heating zones 6.2 wiring diagram for connection to an ariston unvented cylinder. However your connections may seem a little different on the thermostat itself. Use the following wiring diagrams to wire the zone panel to the thermostats and dampers.
Rj45 Module Wiring Diagram - White Electric Modular Socket Category 5e Rj45 Yellow / If you compare the pin functions of both scheme a (t568a) and scheme b (t568b) you will find that they are the same, and only the wiring. . Networking basics cisco networking electronic engineering electrical engineering diy electronics. As i explained, the most popular and most common is the t568b standard which has surpassed the first standard (t568a). Rj45 wiring diagram t568b standard. The jack should have a wiring diagram or designated pin numbers/colors to match up to the color code below. Make it now and use it around your house. Each part ought to be placed and connected with other parts in particular way. This article explain how to wire cat 5 cat 6 ethernet pinout rj45 wiring diagram with cat 6 color code , networks have become one of the es. As i explained, the most popular and most common is the t568b standard which has surpassed the first standard (t568a). Ethernet cable...
Electrolux / Imagebank | Electrolux Newsroom US / As a leading global appliance company. . Exclusive smartboost® technology provides the most effective building a sustainable future together. Any purchased electrolux appliance can be found by its model number. Nos centramos en las innovaciones que de verdad mejoran nuestro día a día. Select your country to log in. Electrolux shapes living for the better by reinventing taste, care and wellbeing experiences, making life more enjoyable and sustainable for millions of people. We want to shape living for the better by reinventing #taste, #care and #wellbeing experiences. Electrolux ab is a swedish multinational home appliance manufacturer, headquartered in stockholm. Electrolux shapes living for the better by reinventing taste, care and wellbeing. Electrolux is a global leader in home appliances. Any purchased electrolux appliance can be found by its model number. ...
Komentar
Posting Komentar